德國伯托BERTHOLD
德國伯托 移動式αβ氣溶膠連續監測儀LB9140 產品介紹:
產品型號:LB9140
產品品牌:德國伯托BERTHOLD
產品類別:輻射監測儀
產品備注:αβ氣溶膠連續監測儀
德國伯托 移動式αβ氣溶膠連續監測儀LB9140 產品簡介:

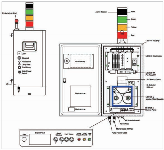
LB9140用于連續測量空氣αβ放射性氣溶膠,主要組成部分為:
取樣部分:氣溶膠取樣
探測器:實時測量αβ放射性氣溶膠水平,αβ活度分別測量
防護外殼:用于保護取樣部分的鋁合金防護外盒、防護等級達IP68。前面板采用有機玻璃窗,可供監測濾紙使用情況
濾紙走紙速度4檔可調節:5/10/12.5/15mm/h
抽氣泵:低噪音、易維護、使用壽命長。標準3m3/h流速時,距離1米處噪聲最大值為60分貝。可選流量計
自檢和報警:
監測儀裝配有自檢程序,實時監測儀器運行狀態。
泵狀態監測:當泵流速低于設置值或泵停止運行時,會對電子學系統給出觸發信號,生成錯誤報告的紀錄。
取樣部分監測:儀器可實時監測濾紙使用情況。當濾紙只剩5米長時,生成“Pre-paper end”信息;當濾紙用完或濾紙發生斷裂時,生成“Paper fail”信息;兩種情況都會觸發控制面板的紅色LED指示燈
探測器故障:計數率低于預設值時觸發故障信號,指示燈熄滅提示
預報警:用戶可分別定義α和β的預報警值,用于提示輻射異常升高,紅色指示燈提示
報警:用戶可分別定義α和β的報警值。報警支持抽氣體積報警、排放率報警和活度報警(Bq/m3;Bq/h;Bq/天、周、月)。采用聲光雙重報警方式
報警燈測試:一鍵測試信號輸入和輸出

德國伯托 移動式αβ氣溶膠連續監測儀LB9140 產品特點:
采用單個或兩個600mm2的大面積離子注入硅PIPS探測器,取樣靈敏面積大25*25mm2
雙PIPS探測器版本采用相同的幾何形態PIPS探測器,用于gamma補償和修正
快速的人工αβ放射性核素測量,先進的偽符合法和α能量鑒別法扣除氡及其子體的影響
走紙式濾紙連續取樣,5-15mm/h速度范圍內4檔可調
占地空間小,便于移動
電子學系統采用7″彩屏顯示的智能外設模塊LB5340
氣泵噪音低、易維護、可進行低流量自檢
可選質量流量計或渦街流量計
德國伯托 移動式αβ氣溶膠連續監測儀LB9140 產品應用:
αβ放射性氣溶膠連續監測,可用于人員暴露環境的氣溶膠輻射量測量,環境放射性氣溶膠測量,煙囪和管道等氣載流出物放射性測量。
核設施退役
核動力、核電站
放射源制造
環境監測和防護
工業安全
科研
德國伯托 移動式αβ氣溶膠連續監測儀LB9140 技術參數:

![]() |
|